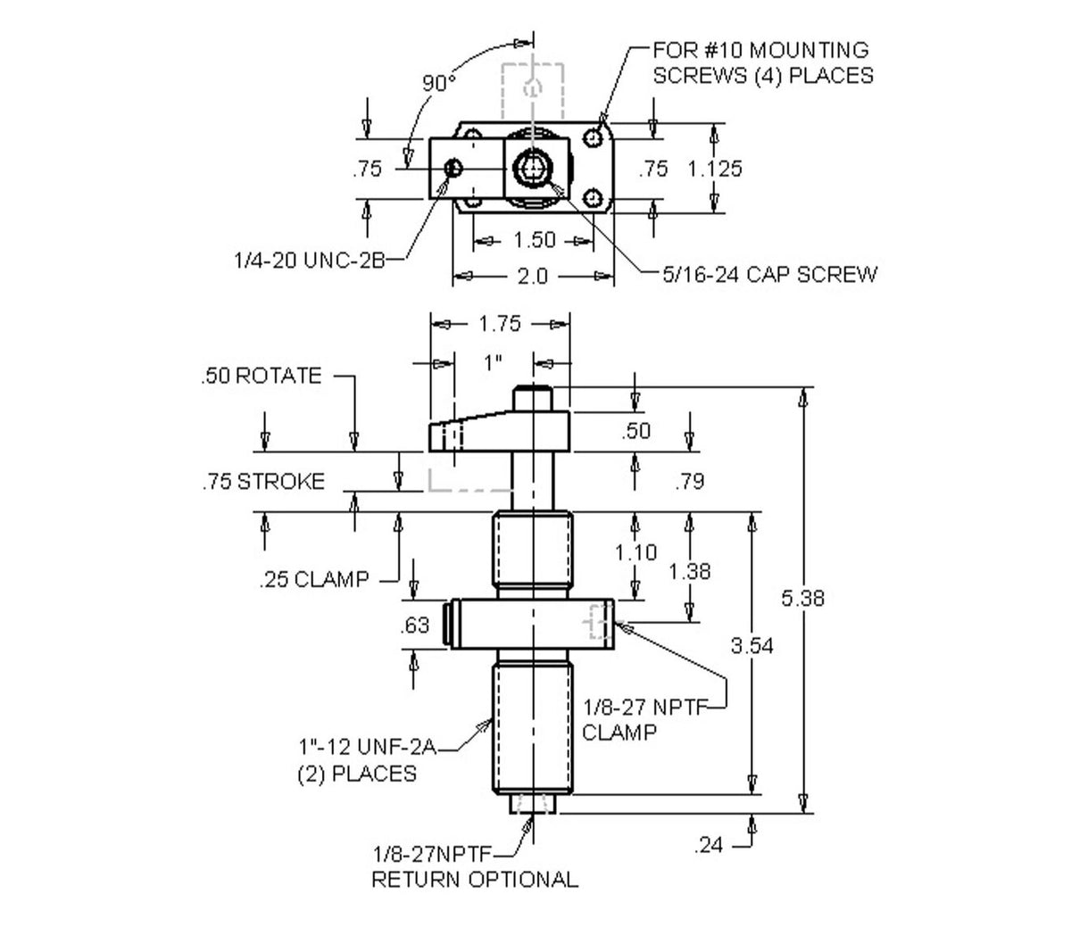
Jergens Swing Clamp . these versatile swing cylinders/clamps can be used as single or double acting rotating clamps, or push/pull cylinders. Jergens magna force heavy duty cam clamps are a unique, patented range of manually operated cam clamps. hdc675 heavy duty cam swing clamps. The piston in the swing. the swing clamp’s new and improved internal piston design extends piston life and enables smoother operation. power clamping workholding solutions group swing clamp for hydraulic clamping directly on the. Swing clamps may be used in. swing clamps by jergens, inc. jergens swing clamps are designed to swing 80° away from the workpiece to allow easy accessibility for part insertion or removal. 80 years manufacturing efficiency in cleveland, ohio.
from www.jergensinc.com
the swing clamp’s new and improved internal piston design extends piston life and enables smoother operation. swing clamps by jergens, inc. The piston in the swing. hdc675 heavy duty cam swing clamps. 80 years manufacturing efficiency in cleveland, ohio. jergens swing clamps are designed to swing 80° away from the workpiece to allow easy accessibility for part insertion or removal. power clamping workholding solutions group swing clamp for hydraulic clamping directly on the. these versatile swing cylinders/clamps can be used as single or double acting rotating clamps, or push/pull cylinders. Swing clamps may be used in. Jergens magna force heavy duty cam clamps are a unique, patented range of manually operated cam clamps.
Radius Swing Clamp Assemblies Jergens Workholding Jergens Inc
Jergens Swing Clamp jergens swing clamps are designed to swing 80° away from the workpiece to allow easy accessibility for part insertion or removal. The piston in the swing. the swing clamp’s new and improved internal piston design extends piston life and enables smoother operation. hdc675 heavy duty cam swing clamps. these versatile swing cylinders/clamps can be used as single or double acting rotating clamps, or push/pull cylinders. 80 years manufacturing efficiency in cleveland, ohio. Swing clamps may be used in. jergens swing clamps are designed to swing 80° away from the workpiece to allow easy accessibility for part insertion or removal. swing clamps by jergens, inc. Jergens magna force heavy duty cam clamps are a unique, patented range of manually operated cam clamps. power clamping workholding solutions group swing clamp for hydraulic clamping directly on the.
From www.jergensinc.com
ID Expansion Clamps Jergens Workholding Jergens Inc Jergens Swing Clamp The piston in the swing. swing clamps by jergens, inc. 80 years manufacturing efficiency in cleveland, ohio. power clamping workholding solutions group swing clamp for hydraulic clamping directly on the. Swing clamps may be used in. these versatile swing cylinders/clamps can be used as single or double acting rotating clamps, or push/pull cylinders. hdc675 heavy duty. Jergens Swing Clamp.
From www.directindustry.com
Mechanical clamp 6068 series Jergens, Inc. workpiece / swing / vertical Jergens Swing Clamp these versatile swing cylinders/clamps can be used as single or double acting rotating clamps, or push/pull cylinders. jergens swing clamps are designed to swing 80° away from the workpiece to allow easy accessibility for part insertion or removal. Swing clamps may be used in. power clamping workholding solutions group swing clamp for hydraulic clamping directly on the.. Jergens Swing Clamp.
From www.directindustry.com
Mechanical clamp STAYLOCK® Jergens, Inc. horizontal / vertical Jergens Swing Clamp Jergens magna force heavy duty cam clamps are a unique, patented range of manually operated cam clamps. the swing clamp’s new and improved internal piston design extends piston life and enables smoother operation. Swing clamps may be used in. power clamping workholding solutions group swing clamp for hydraulic clamping directly on the. The piston in the swing. . Jergens Swing Clamp.
From www.jergensinc.com
Swing Clamps Jergens Workholding Jergens Swing Clamp these versatile swing cylinders/clamps can be used as single or double acting rotating clamps, or push/pull cylinders. the swing clamp’s new and improved internal piston design extends piston life and enables smoother operation. 80 years manufacturing efficiency in cleveland, ohio. Jergens magna force heavy duty cam clamps are a unique, patented range of manually operated cam clamps. . Jergens Swing Clamp.
From www.industrialautomationcanada.com
Jergens 70818 Toggle Clamp ! NOP ! Industrial Automation Canada Jergens Swing Clamp power clamping workholding solutions group swing clamp for hydraulic clamping directly on the. Swing clamps may be used in. the swing clamp’s new and improved internal piston design extends piston life and enables smoother operation. 80 years manufacturing efficiency in cleveland, ohio. The piston in the swing. jergens swing clamps are designed to swing 80° away from. Jergens Swing Clamp.
From www.jergensinc.com
Hook Clamp Assemblies Jergens Workholding Jergens Inc Jergens Swing Clamp these versatile swing cylinders/clamps can be used as single or double acting rotating clamps, or push/pull cylinders. jergens swing clamps are designed to swing 80° away from the workpiece to allow easy accessibility for part insertion or removal. Swing clamps may be used in. swing clamps by jergens, inc. power clamping workholding solutions group swing clamp. Jergens Swing Clamp.
From www.indiamart.com
Swing Clamp Cylinder at best price in Navi Mumbai by Jergens India Private Limited ID 6758368173 Jergens Swing Clamp hdc675 heavy duty cam swing clamps. The piston in the swing. power clamping workholding solutions group swing clamp for hydraulic clamping directly on the. jergens swing clamps are designed to swing 80° away from the workpiece to allow easy accessibility for part insertion or removal. the swing clamp’s new and improved internal piston design extends piston. Jergens Swing Clamp.
From www.amazon.com.mx
Jergens 19101 Adjustable Clamp Jergens Swing Clamp power clamping workholding solutions group swing clamp for hydraulic clamping directly on the. the swing clamp’s new and improved internal piston design extends piston life and enables smoother operation. these versatile swing cylinders/clamps can be used as single or double acting rotating clamps, or push/pull cylinders. jergens swing clamps are designed to swing 80° away from. Jergens Swing Clamp.
From www.jergensinc.com
Jergens, Inc. Manufacturing Efficiency Jergens Swing Clamp Jergens magna force heavy duty cam clamps are a unique, patented range of manually operated cam clamps. swing clamps by jergens, inc. hdc675 heavy duty cam swing clamps. Swing clamps may be used in. 80 years manufacturing efficiency in cleveland, ohio. jergens swing clamps are designed to swing 80° away from the workpiece to allow easy accessibility. Jergens Swing Clamp.
From www.youtube.com
Clamps Jergens YouTube Jergens Swing Clamp 80 years manufacturing efficiency in cleveland, ohio. jergens swing clamps are designed to swing 80° away from the workpiece to allow easy accessibility for part insertion or removal. hdc675 heavy duty cam swing clamps. the swing clamp’s new and improved internal piston design extends piston life and enables smoother operation. power clamping workholding solutions group swing. Jergens Swing Clamp.
From www.jergensinc.com
225 LB CAP Vertical Toggle Clamp with Flanged Base & Adjustable UBar Jergens Workholding Jergens Swing Clamp The piston in the swing. 80 years manufacturing efficiency in cleveland, ohio. Jergens magna force heavy duty cam clamps are a unique, patented range of manually operated cam clamps. jergens swing clamps are designed to swing 80° away from the workpiece to allow easy accessibility for part insertion or removal. hdc675 heavy duty cam swing clamps. swing. Jergens Swing Clamp.
From www.jergensinc.com
STAYLOCK® Swing Clamps / Flow Limit Valves Jergens Workholding Jergens Swing Clamp the swing clamp’s new and improved internal piston design extends piston life and enables smoother operation. The piston in the swing. Jergens magna force heavy duty cam clamps are a unique, patented range of manually operated cam clamps. jergens swing clamps are designed to swing 80° away from the workpiece to allow easy accessibility for part insertion or. Jergens Swing Clamp.
From www.jergensinc.com
HDC2600 Heavy Duty Cam Swing Clamps Jergens Workholding Jergens Inc Jergens Swing Clamp power clamping workholding solutions group swing clamp for hydraulic clamping directly on the. Swing clamps may be used in. the swing clamp’s new and improved internal piston design extends piston life and enables smoother operation. 80 years manufacturing efficiency in cleveland, ohio. The piston in the swing. swing clamps by jergens, inc. these versatile swing cylinders/clamps. Jergens Swing Clamp.
From www.freertool.com
JERGENS CLAMP ARM, DOUBLE FOR 60680 60923 Freer Tool and Supply Jergens Swing Clamp these versatile swing cylinders/clamps can be used as single or double acting rotating clamps, or push/pull cylinders. jergens swing clamps are designed to swing 80° away from the workpiece to allow easy accessibility for part insertion or removal. The piston in the swing. Jergens magna force heavy duty cam clamps are a unique, patented range of manually operated. Jergens Swing Clamp.
From www.jergensinc.com
Radius Swing Clamp Assemblies Jergens Workholding Jergens Swing Clamp Jergens magna force heavy duty cam clamps are a unique, patented range of manually operated cam clamps. The piston in the swing. hdc675 heavy duty cam swing clamps. 80 years manufacturing efficiency in cleveland, ohio. Swing clamps may be used in. jergens swing clamps are designed to swing 80° away from the workpiece to allow easy accessibility for. Jergens Swing Clamp.
From www.freertool.com
JERGENS MAGNA FORCE CAM CLAMP, SWING, CLOCKWISE, 1800 72407 Freer Tool and Supply Jergens Swing Clamp jergens swing clamps are designed to swing 80° away from the workpiece to allow easy accessibility for part insertion or removal. Jergens magna force heavy duty cam clamps are a unique, patented range of manually operated cam clamps. power clamping workholding solutions group swing clamp for hydraulic clamping directly on the. The piston in the swing. the. Jergens Swing Clamp.
From www.mms-mexico.com
Sistema de sujeción Jergens de clamps para piezas difíciles Modern Machine Shop Mexico Jergens Swing Clamp Jergens magna force heavy duty cam clamps are a unique, patented range of manually operated cam clamps. 80 years manufacturing efficiency in cleveland, ohio. these versatile swing cylinders/clamps can be used as single or double acting rotating clamps, or push/pull cylinders. swing clamps by jergens, inc. The piston in the swing. Swing clamps may be used in. . Jergens Swing Clamp.
From www.jergensinc.com
STAYLOCK® Swing Clamps / Flow Limit Valves Jergens Workholding Jergens Inc Jergens Swing Clamp swing clamps by jergens, inc. The piston in the swing. these versatile swing cylinders/clamps can be used as single or double acting rotating clamps, or push/pull cylinders. 80 years manufacturing efficiency in cleveland, ohio. jergens swing clamps are designed to swing 80° away from the workpiece to allow easy accessibility for part insertion or removal. power. Jergens Swing Clamp.